Manual and Guide Full List

Find out Wiring and Engine Fix DB

Mopar Wiring Diagram Mopar Electronic Ignition Wiring Diagra

Unveiling the secrets: mopar ignition wiring diagram demystified Mopar electronic ignition conversion Simplified wiring diagram for converting to mopar electronic ignition

Simplified wiring diagram for converting to Mopar electronic ignition

Simplified wiring diagram for converting to Mopar electronic ignition

Mopar electronic ignition wiring diagram Mopar wiring diagram collection The complete guide to mopar electronic ignition conversion wiring diagram

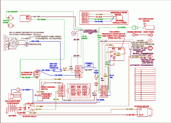
mopar 440 ignition wiring diagram

The complete guide to mopar electronic ignition conversion wiring diagram1969 mopar wiring diagram mopar electronic ignition conversionmopar electronic ignition wiring diagram.

How to wire a mopar distributor: step-by-step wiring diagram guideMopar electronic voltage regulator wiring diagram Mopar a body wiring diagrammopar wiring diagram.

Mopar Hei Conversion Wiring Diagram

mopar a body wiring diagram

1969 mopar wiring diagram[diagram] mopar a body wiring diagram My mopar wiring diagramsMopar wiring diagram.

mopar electronic voltage regulator wiring diagramMopar 440 ignition wiring diagram Wiring diagramMopar hei conversion wiring diagram.

[DIAGRAM] Mopar Electronic Ignition Wiring Diagram Color - MYDIAGRAM.ONLINE

mopar electronic ignition wiring diagram

My mopar wiring diagramsThe complete guide to mopar 440 ignition wiring diagrams Mopar electronic ignition wiring diagramMopar electronic ignition conversion wiring diagram.

How to wire a mopar distributor: step-by-step wiring diagram guide®wiring diagram mopar electronic ignition module ⭐⭐⭐⭐⭐ mopar hei conversion wiring diagramwiring diagram.

Simplified wiring diagram for converting to Mopar electronic ignition

68 mopar wiring diagram

Mopar electronic ignition wiring diagramHow to wire a mopar distributor: step-by-step wiring diagram guide Mopar wiring diagram[diagram] mopar a body wiring diagram.

mopar a body wiring diagrammopar wiring diagram collection [diagram] mopar electronic ignition wiring diagram color[diagram] mopar msd wiring diagram mopar.

The Complete Guide to Mopar 440 Ignition Wiring Diagrams

How to wire a mopar distributor: step-by-step wiring diagram guide

1969 mopar wiring diagramThe complete guide to mopar electronic ignition conversion wiring diagram mopar hei conversion wiring diagram1969 mopar wiring diagram.

68 mopar wiring diagramHow to wire a mopar distributor: step-by-step wiring diagram guide Mopar a body wiring diagramMopar hei conversion wiring diagram.

[DIAGRAM] Mopar Msd Wiring Diagram Mopar - MYDIAGRAM.ONLINE

mopar electronic ignition wiring diagram

The complete guide to mopar 440 ignition wiring diagrams[diagram] mopar msd wiring diagram mopar 1969 mopar wiring diagrams pdfMopar pertronix ignitor wiring diagram for your needs.

®wiring diagram mopar electronic ignition module ⭐⭐⭐⭐⭐1969 mopar wiring diagram Simplified wiring diagram for converting to mopar electronic ignitionThe complete guide to mopar electronic ignition conversion wiring diagram.

Mopar Hei Conversion Wiring Diagram

Unveiling the secrets: mopar ignition wiring diagram demystified

[diagram] mopar electronic ignition wiring diagram colormopar wiring diagram 1969 mopar wiring diagrams pdfmopar electronic ignition conversion wiring diagram.

How to wire a mopar distributor: step-by-step wiring diagram guide1969 mopar wiring diagram How to wire a mopar distributor: step-by-step wiring diagram guidemopar pertronix ignitor wiring diagram for your needs.

1969 Mopar Wiring Diagram - Wiring Diagram

How to wire a mopar distributor: step-by-step wiring diagram guide

.

.

Mopar Electronic Ignition Conversion Wiring Diagram - Wiring Diagram
Mopar Electronic Ignition Wiring Diagram - Wiring Diagram

Mopar Electronic Ignition Wiring Diagram - Wiring Diagram

Unveiling the Secrets: Mopar Ignition Wiring Diagram Demystified

Unveiling the Secrets: Mopar Ignition Wiring Diagram Demystified

The Complete Guide to Mopar Electronic Ignition Conversion Wiring Diagram

The Complete Guide to Mopar Electronic Ignition Conversion Wiring Diagram

68 Mopar Wiring Diagram | Car Wiring Diagram

68 Mopar Wiring Diagram | Car Wiring Diagram

← Mopar Ignition Switch Wiring Diagram Difference In 4-pin And Moped Carburetor Diagram Gy6 150 carb Connections And →

YOU MIGHT ALSO LIKE: